

1200型振動篩本機為直徑1200型四層五出口振動篩,接觸物料接觸為304不銹鋼材質,彈簧外圍加不銹鋼裙邊,底座為Q235普碳鋼材質,子母雙層網結構網架,其主要篩分目地為分級。

關于“振動篩”:這個名稱是所有振動篩分設備類產品的總稱,確切點講這種圓形的振動篩根據國家相關標準叫“旋振篩”,由于其振動運轉原理很多企業也稱之為“三次元振動篩分過濾機”。


☆ 換網容易、操作簡單、清洗方便。
☆ 網孔不堵塞、粉末不飛揚、可篩至400目或0.028mm。
☆ 雜質、粗料自動排出,可以連續作業。


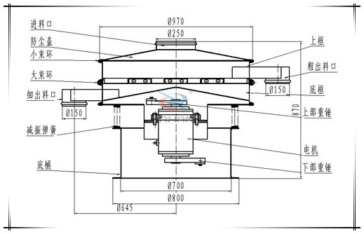
基本原理由直立式振動電機作為激振源,電機上、下兩端安裝有偏心重錘,將電機的旋轉運動轉變為水平、垂直、傾斜的三次元運動,再把這個運動傳遞給篩面。調節上、下兩端的相位角,可以改變物料在篩面上的運動軌跡。


|
型 號 |
DH-600 |
DH-800 |
DH-1000 |
DH-1200 |
DH-1500 |
DH-1800 |
DH-2000 |
|
直徑mm |
Φ600 |
Φ800 |
Φ1000 |
Φ1200 |
Φ1500 |
Φ1800 |
Φ2000 |
|
篩網面積m |
0.24 |
0.45 |
0.67 |
1.0 |
1.6 |
2.43 |
3.01 |
|
篩網規格(目) |
2-500 |
||||||
|
進料粒度mm |
<Φ10 |
<Φ15 |
<Φ20 |
<Φ30 |
|||
|
振次rpm |
1500 |
1500 |
1500 |
1500 |
1500 |
1500 |
1500 |
|
有效篩面直mm |
Φ560 |
Φ760 |
Φ930 |
Φ1130 |
Φ1430 |
Φ1760 |
Φ1960 |
|
層數 |
1-5 |
||||||
|
功率Kw |
0.25 |
0.55 |
0.75 |
1.1 |
1.5 |
2.2 |
3 |


化工行業:樹脂、涂料、工業藥品、化妝品、油漆、中藥粉等。
食品行業:糖粉、淀粉、食鹽、米粉、奶粉、豆漿、蛋粉、醬油、果汁等。
金屬、冶金礦業:鋁粉、鉛粉、銅粉、礦石、合金粉、焊條粉末、二氧化錳、電解銅粉、電磁性材料、研磨粉、耐火材料、高嶺土、石灰、氧化鋁、重質碳酸鈣、石英砂等。
公害處理:廢油、廢水、染整廢水、助劑、活性碳等。



⑴設備應有穩定的基礎。當設備安裝于一般地面或水泥基礎上時,可以不設置地腳螺栓。當設備安裝于鋼結構架臺之上時,應用螺栓緊固于結構體上,而且鋼結構架臺應有一定的鋼度。本機只需三相開關一只(備注:好使用電氣控制盤),用蛇皮管穿線,將電機接至電源即可,注意電氣控制盤應懸掛安裝于墻上。
⑵設備出廠前已將篩網裝妥,使用過程中的篩網更換可自己更換。
⑶開機前,應先檢查各壓緊螺栓的緊固程度,及各料口的位置是否與接料器對正,并觀察振動電機是否能正常轉動及彈簧受力有無阻礙,檢查各層篩網是否壓緊。
⑷當旋振篩接入電氣控制盤之前,應首先對電氣控制盤進行檢查。線路接通后觀察振動電機旋轉方向是否是順時針方向, (備注:否則應改變相序)運轉是否正常,有無異噪聲。
⑸調節振動電機上下偏心塊的相位角,以適應各種物料篩分情況。
振動篩的形狀各不相同,皆因實際應用情況而改變,對于情況特殊的來講,也可根據自身的特點,對篩機進行一定程度上的改進,以滿足篩分要求,此外,旋振篩廠家新鄉大漢振動機械有限公司公司也為配合特定行業而有各類型的設計,可為客戶量身定做各種型號規格的直線振動篩,確保每一位用戶都心滿意足!
1.保修期內非因操作不當造成需要更換的零配件及設備由我廠負責包修、包換。
2.質量保證期結束后,我廠將繼續免費提供售后服務,不限年份終身服務,僅收取零部件成本費,免收人工費,免收維修費。
為了向您提供完善的售后服務,請將您的寶貴意見、建議及要求反饋給我廠。我們感謝貴單位使用我廠的產品,我廠建立有完整的營銷網絡及完善的售后服務體系,售后服務部已將您購買的產品建立了信息檔案。如果您購買的產品出現質量問題,我們將及時為您提供全方位的服務。
![]()